インバータの「MCの駆動」を簡単に行う方法はありませんか?
回答
弊社製品のデッドタイム負荷機能付きインターフェースボードMWPE-IFRX4-PROをご利用の場合は下記の2つの方法にてMCの駆動を行うことができます。
【方法1】
MWPE-IFRX4-PROのスイッチS1を1側へ設定した場合。
MWPE-IFRX4-PROのCN2 に信号を入力しMC を駆動させることができます。
また、弊社製品のデジタル制御システムPE-Expert4のPEVボード(MWPE4-PEV)もお持ちの場合は、MWPE4-PEVのDIOとMWPE-IFRX4-PROのCN2の接続ケーブルを作成することで、ソフトウェアによる駆動も可能になります。
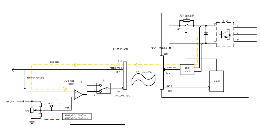
【方法2】
MWPE-IFRX4-PROのスイッチS1を3側へ設定した場合。
インバータ内部の直流電圧(AIN2_VDC)を参照してMC を自動駆動させることができます。
MCを駆動させる直流電圧のしきい値は可変抵抗RV1により調整可能です。MWPE-IFRX4-PRO の TP20 でモニターして調整してください。
詳細は141196-A2-001□_MWPE‐IFRX4-PRO_ハードウェアリファレンスをご参照ください。