Typhoon HILではメインプロセッサとして高速なリアムタイム演算を行うためにFPGAのプロセッサを使用しております。
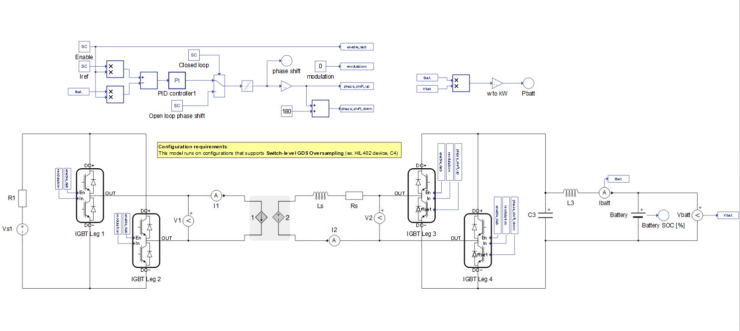
例えば下記はDAB(Dual Active Bridge)のサンプルモデルとなりますが黒い線で描かれている主回路領域は極めて速い演算が必要とされるためFPGAで演算されます。一方、青い線で描かれている信号処理領域や制御アルゴリズムを構築している領域はFPGAよりも遅い演算周期で問題ないためCPUで演算されます。
FPGAのタイムステップは最新のHIL404モデル、606モデルで最小200nsecとなり、旧型のHIL402モデル、604モデルで最小500nsecとなります。
FPGAのタイムステップの設定方法
FPGAのタイムステップの設定方法を説明します。Scematic Editorで回路モデルを開いた際に画面左上の「Model」⇒「Model settings」を開き、「Hardware settings」で使用するHILデバイス機種、Configuration idを選択後に「Circuit Solver settings」のSimulation stepでシミュレーションを行いたいタイムステップを選択しOKを押してください。以上でFPGAのタイムステップ設定は終了です。
FPGAのタイムステップが成立するかどうかの確認方法
FPGAのタイムステップを設定したからといって必ずそのタイムステップでHILデバイスがリアルタイムシミュレーションを行えるというわけではありません。実際にそのタイムステップでシミュレーションを行うことが可能であるかどうかはコンパイルした際のコンパイルログで確認する必要があります。
コンパイルした際にTiming constraint analysisの項目でコアごとのタイムスロット利用率、その他の利用率が全て100%以内に収まっている必要があります。
100%以内に収まっている場合にはHILデバイスに問題なく回路モデルが書き込まれますが、100%を超えた場合にはコンパイルエラーとなりタイムステップを増加させる必要があります。